在多次維修大眾車刮水器故障后,筆者發現大眾車刮水器控制系統的電路主要有3種控制形式:刮水器繼電器控制型、車身控制模塊控制型及車身控制模塊與總線控制型。下面分別以2009年產桑塔納志俊轎車、2009年產新寶來轎車及2009年產邁騰轎車為例,分析這3種控制形式的工作原理,希望能對廣大同仁有所幫助。
1 2009年產桑塔納志俊車刮水器控制系統電路分析
由圖1可知,2009年產桑塔納志俊轎車刮水器除高速擋外,低速擋和間歇擋均由刮水器繼電器(J31,又叫19號繼電器)控制。下面具體分析一下各擋位的控制電路。
E21—洗滌器開關;E22—刮水器開關;J31—刮水器繼電器;V—刮水器電動機;V4—洗滌器電動機
圖1 2009年產桑塔納志俊車刮水器控制系統電路
1.1 低速擋控制電路
當刮水器開關(E22)處于低速擋時,刮水器的控制電路為:75X號電源→熔絲S17→E22端子T8y/2→E22端子T8y/1→J31端子7/53S→J31內部常閉觸點→J31端子9/53M→刮水器電動機(V)端子T5af/2→V端子T5af/1→搭鐵。
1.2 高速擋控制電路
當E22處于高速擋時,刮水器的控制電路為:75X號電源→熔絲S17→E22端子T8y/2→E22端子T8y/3→V端子T5af/4→V端子T5af/1→搭鐵。
1.3 間歇擋控制電路
當E22處于間歇擋時,刮水器的控制電路為:75X號電源→熔絲S17→E22端子T8y/2→E22端子T8y/7→J31端子10/I,此時J31工作,使常閉觸點斷開、常開觸點閉合;75X號電源→熔絲S17→J31端子5/15→J31內部常開觸點→J31端子9/53M→V端子T5af/2→V端子T5af/1→搭鐵,此時V低速工作1次,然后J31控制常閉觸點接通、常開觸點斷開,V停止工作。J31周期性地控制常閉觸點和常開觸點斷開與閉合,從而使V間歇工作。
1.4 洗滌擋控制電路
當接通洗滌器開關(E21)時,刮水器的控制電路為:75X號電源→熔絲S17→E22端子T8y/2→E22端子T8y/5→洗滌器電動機(V4)→搭鐵,同時E22端子T8y/5輸出的電壓還傳送至J31端子6/T,J31控制V低速工作3次。
1.5 復位電路
當E22處于OFF擋時,若刮水片尚未回到設定位置,V的復位電路起作用,V低速運轉,直到刮水片回到設定位置,即V兩端均搭鐵,其控制電路為:75X號電源→熔絲S17→V端子T5af/5→V端子T5af/3→E22端子T8y/8→E22端子T8y/1→J31端子7/53S→J31內部常閉觸點→J31端子9/53M→V端子T5af/2→V端子T5af/1→搭鐵。
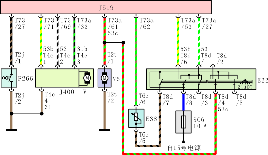
2 2009年產新寶來車刮水器控制系統電路分析
由圖2可知,2009年產寶來轎車刮水器在所有擋位下,刮水器電動機均由車身控制模塊(J519)控制,且刮水器電動機控制模塊(J400)與刮水器電動機(V)集成為一體。
E22—刮水器開關;E38—刮水器間歇運行調節器;F266—發動機室蓋接觸開關;J400—刮水器電動機控制模塊;J519—車身控制模塊;V—刮水器電動機;V5—洗滌器電動機
圖2 2009年產新寶來車刮水器控制系統電路
J519通過端子T73a/27接收刮水器開關(E22)低速擋請求信號,然后通過端子T73/69向J400發送低速擋控制信號;J519通過端子T73a/53接收E22高速擋請求信號,然后通過端子T73/71向J400發送高速擋控制信號;J519通過端子T73a/62接收E22間歇擋請求信號,然后通過端子T73/69向J400發送間歇擋控制信號(由于間歇擋時刮水器電動機低速工作,因此低速擋與間歇擋的控制信號輸出端子一樣,區別在于控制信號不同);J519通過端子T73a/61接收E22洗滌擋接通信號,然后通過端子T73/69向J400發送低速擋控制信號,使刮水器電動機在洗滌器電動機工作時低速工作;J519通過端子T73a/32接收J400的搭鐵信號來確定刮水器電動機已復位,如果接收不到搭鐵信號,J519通過端子T73/69控制刮水器電動機低速工作,直至刮水器電動機復位。另外,在間歇擋時,可以通過調節刮水器間歇運行調節器(E38)設定不同的間歇時間。
3 2009年產邁騰車刮水器控制系統電路分析
由圖3可知, 2009年產邁騰轎車刮水器開關(E22)的擋位請求信號直接傳送至轉向柱控制模塊(J527),然后經過CAN線傳送至車身控制模塊(J519),最后J519通過LIN線向刮水器電動機控制模塊(J400)發出相應的指令,控制刮水器電動機作出相應的動作。J519接收到洗滌擋請求信號后,控制洗滌器電動機繼電器(J729)動作,使洗滌器電動機(V5)工作。
該車還裝備了雨量和光照識別傳感器(G397,安裝在車內后視鏡底座上),用于自動刮水器和自動前照燈的控制。圖4為該車刮水器控制系統通訊網絡,其中ABS控制模塊(J104)向J519提供車速信號,作為調節刮水器電動機轉速的參考信號;J519是LIN線的主節點,J400和G397均為從節點。
E22—刮水器開關;E38—刮水器間歇運行調節器;F266—發動機室蓋接觸開關;G397—雨量和光照識別傳感器;J400—刮水器電動機控制模塊;J519—車身控制模塊;J527—轉向柱控制模塊;J729—洗滌器電動機繼電器;V—刮水器電動機;V5—洗滌器電動機
圖3 2009年產邁騰車刮水器控制系統電路

D—點火開關;E22—刮水器開關;F266—發動機室蓋接觸開關;G397—雨量和光照識別傳感器;J104—ABS控制模塊;J400—刮水器電動機控制模塊;J519—車身控制模塊;J527—轉向柱控制模塊;J533—網關
圖4 2009年產邁騰轎車刮水器控制系統通訊網絡
4 大眾車刮水器控制系統故障診斷
對比上述3種刮水器控制系統的電路可知,刮水器繼電器控制型電路中的導線數量較多,車身控制模塊控制型電路中的導線數量較少,車身控制模塊與總線控制型電路中的導線數量很少,這表明集成電路技術和總線技術的應用減少了電路中的導線數量,而隨著導線數量的減少,刮水器控制系統電路的分析就變得簡單多了,其實這也意味著故障診斷變得簡單。
當刮水器繼電器控制型刮水器出現故障時,維修人員只能根據故障現象,逐段對相關電路進行排查,但由于線路較多,一般診斷范圍較大,診斷起來比較麻煩;而當車身控制模塊控制型及車身控制模塊與總線控制型刮水器出現故障時,不僅需要排查的線路變少了,而且還可以用故障檢測儀查看車身控制模塊(J519)中有無相關故障代碼存儲,如故障代碼00897(圖5)、故障代碼00153(圖6)等,并且還可以從車身控制模塊或轉向柱控制模塊(J527)中讀取刮水器數據流,如刮水器開關擋位信號、發動機室蓋接觸開關信號等(圖7),這樣就大大縮小了診斷范圍。
圖5 車身控制模塊中存儲的故障代碼00897(截屏)
圖6 車身控制模塊中存儲的故障代碼00153(截屏)
圖7 車身控制模塊中的刮水器數據流(截屏)
然而,由于車身控制模塊是一個“黑匣子”,維修人員從線路上是無法理清車身控制模塊輸入信號與輸出信號間的關系的(這些關系只能通過查閱相關技術資料才能理清),因此有時在故障診斷時,容易忽略某些輸入信號的作用,從而使故障診斷走很多彎路。以發動機室蓋接觸開關(F266)信號為例,為了防止刮水器損壞,在裝有F266的大眾車上,當J519檢測到發動機室蓋為打開狀態時,刮水器的工作將會受到限制,如部分速騰轎車在打開發動機室蓋時,刮水器各擋位均不工作,而部分寶來車在打開發動機室蓋時,刮水器只有間歇擋不工作。如果某車因F266信號錯誤而導致刮水器工作不正常,維修人員在忽略了F226信號作用的情況下進行故障診斷,將會走很多彎路。
(收稿日期:2014-07-27)